OHQ防爆電動執行器 | 角行程執行器
OHQ防爆電動執行器 產品說明
OHQ防爆電動執行器用于控制0°~270°旋轉的閥門及其他同類產品,如蝶閥、球閥、風門、擋板閥、旋塞閥、百葉閥等,可以廣泛應用于石油、化工、水處理、船舶、造紙、電站、供熱,輕工等各行業中。它以380V/220V/110V交流電源為驅動電源,以4-20mA電流信號或0-10V DC 電壓信號為控制信號,可使閥門運動到所需位置,實現其自動化控制,大輸出扭距達4000N·m。
OHQ防爆電動執行器 技術參數
| 外殼 | 防水級別 IP67,NEMA4 and 6 |
|---|---|
| 電機電源 | 110/220V AC 1PH,380/440V AC 3PH, 50/60Hz, ±10% |
| 控制電源 | 110/220V AC 1PH,50/60 Hz, ±10% |
| 電機 | 鼠籠式異步電動機 |
| 限位開關 | 2 X 開/關, SPDT,250V AC 10A |
| 輔助限位開關 | 2 X 開/關, SPDT,250V AC 10A |
| 扭距開關 | 開/關 ,SPDT,250V AC 10A |
| 行程 | 90°±10° |
| 失速保護/操作溫度 | 內置熱保護,開150℃ ±5℃ /關 97℃ ±15℃ |
| 指示器 | 連續的位置指示 |
| 手動操作 | 機械離合機構 |
| 自鎖裝置 | 蝸輪,蝸桿機構提供自鎖 |
| 機械限位 | 2個外部調整螺栓 |
| 干燥器 | 7-10W (110/220V AC)防冷凝 |
| 接線孔 | 2個PF 3/4" |
| 環境溫度 | -20℃--+70℃ |
| 潤滑 | 鋁基潤滑脂(EP 型) |
| 材料 | 鋼,鋁合金,鋁青銅,聚碳酸脂 |
| 環境溫度 | 大90% RH |
| 抗震性能 | X Y Z 10g,0.2~34 Hz,30分鐘 |
| 外涂層 | 干粉,環氧聚酯 |
OHQ防爆電動執行器 產品特點
| 殼體 | 殼體為硬質鋁合金,經陽極氧化處理和聚酯粉末涂層,耐腐蝕性強,防護等級為IP67,NEMA4和6,并有IP68型和防爆型供選擇 |
|---|---|
| 電機 | 全封閉式鼠籠式電機,體積小,扭矩大,慣性力小,絕緣等級為F級,內置過熱保護開關,可防止過熱損壞電機 |
| 指示器 | 指示器安裝在中心軸上,可以觀察閥門位置。鏡面采用凸透鏡設計,不積水,觀察更方便 |
| 干燥器 | 用來控制溫度,防止由于溫度和天氣變化導致執行器內部水分凝結,保持內部電氣元件的干燥 |
| 自鎖 | 精密的雙蝸輪蝸桿機構可高效傳輸大扭矩,效率高,噪音低(大50分貝),壽命長有自鎖功能,防止反轉,傳動部分穩定可靠,出廠已經加滿高效潤滑脂,使用無需再加油 |
| 安裝 | 底部安裝尺寸符合ISO5211國際標準,驅動軸套可拆下根據需要進行加工,適應性強。可以垂直安裝,也可以水平安裝 |
| 線路 | 控制線路符合單相或三相電源標準,線路布置緊湊合理,接線端子可有效滿足各種附加功能的要求。閥開關到位均有無源接點輸出(可根據客戶要求另行加工) |
| 手動結構 | 手輪的設計保證安全可靠、省力、體積小。不通電時,扳動離合器手柄可進行手動操作。通電時,離合器自動復位。(注:在電機不通電的狀況下,電動執行器將保持永久手動狀態) |
| 扭矩開關 | 可提供過載保護(QDL-005/008/010除外),在閥門卡澀,有異物時,自動斷開電機電源,更有效的保護閥門和電動執行器不受損壞。(出廠前已設定好,請用戶不要隨意更改設置) |
| 防脫螺栓 | 拆除外殼時,螺栓附在殼體上,不會脫落。外部螺栓均采用不銹鋼材質 |
| 智能模塊 | 采用集成度高,功耗很低的單片機與模擬電路混合的控制板,更采用全金屬外掛式安裝,使執行器電機熱源與控制板有效隔離,很大程度地提高了軟件及硬件的抗干擾性能及耐溫性 |
| 閥位數字顯示 | 執行器在打開或關閉過程中,閥位的變化在液晶屏上以大數字方式實時顯示 |
| 相序自動調整 | 智能型執行器自動檢測接入的三相電源相序,無需用戶考慮三相電源的相序問題 |
OHQ防爆電動執行器 選型參數
| 型號 Model |
大輸出扭矩 Max output torque |
動作時間 Operating time 60/50HZ |
大 軸徑 Max bore size |
電機 F級 F-class motor |
額定電流(A)50HZ Rated Current(A)50HZ |
手輪轉速 Handwheel revolution |
重量Weight | |||
|---|---|---|---|---|---|---|---|---|---|---|
| 單相 single phase |
三相 three phases |
|||||||||
| N.M | 90° | mm | W | 110V | 220V | 380V | 440V | N | Kg | |
| OHQ-005 | 50 | 18/22 | Φ20 | 20 | 1.10/0.95 | 0 55/0 54 | 0 3/0.3 | N/A | 10 | 75 |
| OHQ-008 | 80 | 18/22 | Φ20 | 20 | 1.10/0.95 | 0.55/0.54 | 0.3/0.3 | N/A | 10 | 75 |
| OHQ-010 | 100 | 18/22 | Φ20 | 20 | 110/0.95 | 0 55/0 54 | 0 30 3 | N/A | 10 | 7 5 |
| OHQ-015 | 150 | 21/25 | Φ22 | 40 | 1.65/1.67 | 0.88/0.84 | 0.31/0.31 | 0.30/0.31 | 11 | 17.3 |
| OHQ-020 | 200 | 21/25 | Φ22 | 40 | 1.67/1.67 | 0 89/0.85 | 0.31/0.31 | 0.30/0 31 | 11 | 173 |
| OHQ-030 | 300 | 26/31 | Φ35 | 90 | 1.85/1.86 | 0.92/0.92 | 0.35/0.35 | 0.34/0.34 | 135 | 22 |
| OHQ-050 | 500 | 26/31 | Φ35 | 90 | 3.60/3.62 | 1.55/1.58 | 0.59/0.59 | 0.58/0.58 | 135 | 23 |
| OHQ-060 | 600 | 26/31 | Φ35 | 120 | 3.65/3.62 | 1.60/2.20 | 0.60/0.59 | 0.59/0.58 | 135 | 23 |
| OHQ-080 | 800 | 31/37 | Φ45 | 180 | 4.10/4.10 | 2.15/2.20 | 0.85/0.85 | 0.79/0.79 | 16 5 | 29 |
| OHQ-120 | 1200 | 31/37 | Φ45 | 180 | 4.20/4.10 | 2.35/2.30 | o.e7/0.87 | 0.81/0.81 | 16.5 | 29 |
| OHQ-200 | 2000 | 93/112 | Φ65 | 180 | 4.10/4.10 | 2152 20 | o.a5/O.a5 | 0.79/0.79 | 49.5 | |
| OHQ-300 | 3000 | 93/112 | Φ65 | 180 | 4.20/4.10 | 2.35/2.30 | 0.85/0.85 | 0.81/0.81 | 49 5 | 75 |
OHQ防爆電動執行器 圖片
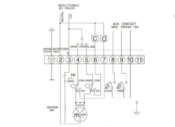
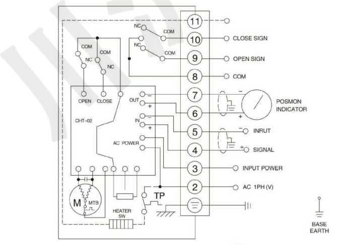
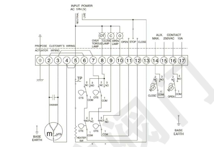
OHQ防爆電動執行器 接線圖
005-010型 AC110V/220V 標準開關型
015-500型 AC110V/220V 標準開關型
005-010型 模擬量無源觸點信號輸出接線圖
015-500型 模擬量無源觸點信號輸出接線圖
更多>> 產品列表
- · 341執行器
- · 361執行器
- · 381調節型電動執行器
- · 381防爆電動執行器
- · 382智能一體化執行器
- · 西門子智能一體化執行器
- · CHV執行器
- · CHQ智能一體化電動執行器
- · PSL電動執行器
- · PSQ執行器
- · DKZ執行器
- · 多回轉執行器
更多>> 閥門圖片列表
更多>> 其他閥門
