J41Y鍛鋼截止閥公稱壓力或壓力級:PN1.0-16.0MPa、ANSI CLASS 150-900、JIS10-20K 公稱通徑或口徑:DN10~500、NPS 1/2 ~36 連接方式:法蘭、對焊、螺紋等適用溫度:-196℃~700℃ 驅動方式:手動、傘齒輪傳動、氣動、電動、液動、氣液聯動、電液聯動閥體材料:WCB、ZG1Cr18Ni9Ti、ZG1Cr18Ni12Mo2Ti、CF8(304)、CF3(304L)、CF8M(316)、CF3M(316L)、Ti。選用不同的材質,可分別適用于水、蒸汽、油品、硝酸、醋酸、氧化性介質、尿素等多種介質。 1、高溫、高壓介質的管路或裝置上宜選用截止閥。如火電廠、核電站,石油化工系統的高溫、高壓管路上。 2、管路上對流阻要求不嚴的管路上。即對壓力損失考慮不大的地方。 3、小型閥門可選用針閥、儀表閥、取樣閥、壓力計閥等。 4、有流量調節或壓力調節,但對調節精度要求不高,而且管路直徑又比較小,如公稱通經≤50mm 的管路上,宜選用。 5、合成工業生產中的小化肥和大化肥宜選用公稱壓力PN160 公稱壓力16MPa 或PN320 公稱壓力32MPa 的高壓角式截止閥或高壓角式節流閥。 6、氧化鋁拜耳法生產中的脫硅車間、易結焦的管路上,易選用閥體分開式、閥座可去處的、硬質合金密封副的直流式截止閥或直流式節流閥。 7、城市建設中的供水、供熱工程上,公稱通經較小的管路,可選用截止、平衡閥或柱塞閥,如公稱通經小于150mm的管路上。
| 名稱 | 參數 |
|---|---|
| 通徑 | 1/2" ~ 2" |
| 適用溫度 | 酸類ㄑ200℃ 水、油、蒸汽ㄑ550℃?等 |
| 適用行業 | 城建、化工、冶金、石油、制藥、食品、環保 |
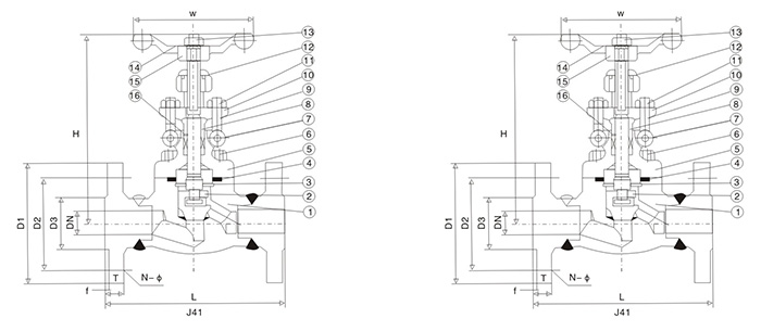
| 序號 | 零件名稱 | CS to ASTM | AS to ASTM |
SS to ASTM | |
|---|---|---|---|---|---|
| Type A105 | Type F22 | Type F304(L) | Type F316(L) | ||
| 1 | 閥體 | A105 | A182 F22 | A182 F304(L) | A182 F316(L) |
| 2 | 墊片 | Corrugated SS+graphite | SS+PTFE | ||
| 3 | 螺栓 | A193 B7 | A193 B16 | A193 B8 | A193 B8M |
| 4 | 圓柱銷 | A276 420 | A276 304 | ||
| 5 | 填料壓套 | A276 410 | A182 F304(L) | A182 F316(L) | |
| 6 | 活節螺栓 | A193 B7 | A193 B16 | A193 B8 | A193 B8M |
| 7 | 螺母 | A194 2H | A194 4 | A194 8 | A194 8M |
| 8 | 閥桿螺母 | A276 410 | |||
| 9 | 螺母 | A194 2H | A194 4 | A194 8 | A194 8M |
| 10 | 銘牌 | SS | |||
| 11 | 手輪 | A197 | |||
| 12 | 填料壓板 | A216 WCB | A351 CF8 | ||
| 13 | 填料 | Flexible Graphite | PTFE | ||
| 14 | 閥蓋 | A105 | A276 304 | A182 F304(L) | A182 F316(L) |
| 15 | 閥桿 | A182 F6 | A182 F304 | A182 F304(L) | A182 F316(L) |
| 16 | 閥瓣 | A276 420 | A276 304 | A276 304(L) | A276 316(L) |
| 適用介質 | 水、蒸汽、油品等 | 水、蒸汽、油品等 | 硝酸、醋酸等 | ||
| 適用溫度 | -29℃~425℃ | -29℃~550℃ | -29℃~180℃ | ||
