電動塑料球閥 | CHQ911F
電動塑料球閥 產品說明
電動塑料球閥具有結構緊湊、耐磨損、容易拆卸、方便維修等優點,閥體材質衛生無毒、耐腐蝕性強、重量輕、應用范圍廣,如一般純水和生飲水的管路系統、排水和污水管路系統、鹽水和海水管路系統、酸堿和化學溶液系統等多個行業。球閥是一種重要的閥類,在石油化工和長輸管線等領域有廣泛應用。它的關閉件是一個帶孔的部分球體,球體隨閥桿轉動,實現閥門的開啟或關閉。流向可任意,可調范圍廣,能用于高壓和大口徑場合,控制高粘度,帶有纖維和細顆粒的介質。
電動塑料球閥 性能參數
| 公稱通徑DN(mm) | 15 | 20 | 25 | 32 | 40 | 50 | 65 | 80 | 100 |
|---|---|---|---|---|---|---|---|---|---|
| 公稱壓力(MPa) | PN1.0-1.6MPa | ||||||||
| 連接方式 | 法蘭、螺紋、由令 | ||||||||
| 閥體結構 | 一體、三通L、三通T | ||||||||
| 閥體材質 | UPVC、CPVC、PP | ||||||||
| 閥芯材質 | UPVC、CPVC、PP | ||||||||
| 密封材質 | PTFE | ||||||||
| 適用溫度 | 0~+60℃ | ||||||||
| 適用介質 | PVC兼容的食品工業化學溶劑 | ||||||||
| 配置執行機構 | 可配HQ、CH等系列角行程電動執行機構 | ||||||||
| 控制方式 | 開關到位(開關兩位控制)、智能調節(4~20mA模擬量信號控制) | ||||||||
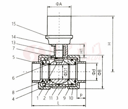
電動塑料球閥 結構尺寸圖
電動塑料球閥 連接尺寸
| 公稱通徑 | D | D1 | D2 | L | H | H1 | T | n-O | 支架中心孔距 | 軸尺寸 | 配電動執行器 | |||
|---|---|---|---|---|---|---|---|---|---|---|---|---|---|---|
| DN(mm) | 承插 | 絲口 | 法蘭 | 開關型 | 調節型 | |||||||||
| 15 | 20 | 65 | 95 | 112 | 112 | 164 | 155 | 40 | 14 | 4-14 | 36/55 | 9*9 | CHV-05 | CHV-05 |
| 20 | 25 | 75 | 105 | 130 | 130 | 182 | 160 | 40 | 16 | 4-14 | 36/50 | 9*9 | ||
| 25 | 32 | 85 | 115 | 144 | 144 | 210 | 165 | 41 | 16 | 4-14 | 36/50 | 11*11 | ||
| 32 | 40 | 100 | 135 | 168 | 168 | 233 | 190 | 43 | 16 | 4-18 | 50/70 | 11*11 | ||
| 40 | 50 | 110 | 145 | 173 | 173 | 247 | 200 | 43 | 16 | 4-18 | 50/70 | 11*11 | ||
| 50 | 63 | 125 | 160 | 204 | 204 | 290 | 225 | 47 | 18 | 4-18 | 50/70 | 11*11 | ||
| 65 | 75 | '145 | 180 | 275 | 275 | 370 | 280 | 50 | 22 | 4-18 | 70 | 14*14 | CHV-10 | CHV-10 |
| 80 | 90 | 160 | 195 | 300 | 300 | 415 | 310 | 60 | 25 | 8-18 | 70 | 14*14 | ||
| 100 | 110 | 180 | 215 | 330 ! | 330 | 460 | 370 | 78 | 25 | 8-18 | 70 | 17*17 | ||
電動塑料球閥圖片
更多>> 產品列表
- · 電動法蘭球閥 | CHQ941F
- · 電動對夾球閥 | CHQ971F
- · 電動內螺紋球閥 | CHQ911F
- · 電動快裝球閥 | CHQ981F
- · 電動塑料球閥 | CHQ911F
- · 電動三通球閥 | CHQ944(5)F
- · 電動襯氟球閥 | CHQ941F46
- · 電動真空球閥 | GUD
- · 電動保溫球閥 | CHBQ941H
- · 電動高壓球閥 | CHQ941N
- · 電動高溫球閥 | CHGQ941H
- · 電動調節球閥 | CHOQ941F
- · 電動V型調節球閥 | CHVQ947F
- · 電動衛生級球閥 | CHQ981F
- · 電動防爆球閥 | CHExQ941F
- · 電動偏心半球閥 | CHPQ947F
更多>> 閥門圖片列表
更多>> 其他閥門
