三偏心法蘭蝶閥 | D343H
三偏心法蘭蝶閥 產品說明
三偏心法蘭蝶閥采用三偏心(三維偏心)斜錐面密封,利用蝶板擺動接觸密封、密封啟閉無摩擦,關閉時具有越關越緊,密封性能越可靠,開啟確定密封面完全脫離接觸,確保密封 面不損傷。金屬硬密封蝶閥被廣泛地應用到介質溫度≤550℃的冶金、電力、石油、化工、空氣、煤氣、可燃氣體以及給排水等腐蝕性介質的管道上,是調節流量和截斷流體的佳裝置。
三偏心法蘭蝶閥 材質
| 公稱通徑 | DN(mm) | 50~1200 | ||||
|---|---|---|---|---|---|---|
| 公稱壓力 | PN(MPa) | 0.6 | 1.0 | 1.6 | 2.5 | 4.0 |
| 試驗壓力 | 強度試驗 | 0.9 | 1.5 | 2.4 | 3.75 | 6.0 |
| 密封試驗 | 0.66 | 1.1 | 1.76 | 2.75 | 4.4 | |
| 氣密封試驗 | 0.6 | 0.6 | 0.6 | 0.6 | 0.6 | |
| 適用介質 | 水、蒸氣、油品、酸類腐蝕性等。 | |||||
| 驅動方式 | 手動、蝸輪傳動、氣動、電動 | |||||
| 適用溫度 | 碳鋼 :-29℃~600℃ 不銹鋼-40℃~600℃ | |||||
三偏心法蘭蝶閥 性能參數
| 設計標準 | 國標系列 |
|---|---|
| 設計標準 | GB/T12237 |
| 法蘭連接尺寸 | GB/T9113.1-2000;GB/T9115.1-2000;JB78 |
| 結構長度 | GB/T12221-1989 |
| 壓力試驗 | GB/T13927-1992;JB/T9092-1999 |
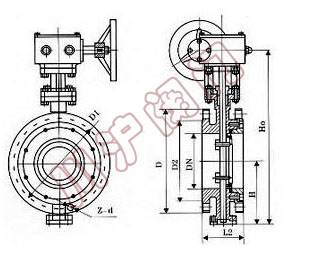
三偏心法蘭蝶閥 結構尺寸圖
三偏心法蘭蝶閥 連接尺寸
| 公稱通徑 | 結構長度 |
外形尺寸 | 連接尺寸(標準值) | |||||||||||||
|---|---|---|---|---|---|---|---|---|---|---|---|---|---|---|---|---|
| L0 | H | D343H | PN0.6MPa | PN1.0MPa | PN1.6MPa | |||||||||||
| 毫米 | 英寸 | 法蘭 | 對夾 | H0 | A1 | B1 | D | D1 | Z-d | D | D1 | Z-d | D | D1 | Z-d | |
| 50 | 2 | 108 | 43 | 112 | 350 | 180 | 200 | 140 | 110 | 4-14 | 165 | 125 | 4-18 | 165 | 125 | 4-18 |
| 65 | 21/2 | 112 | 46 | 115 | 370 | 180 | 200 | 160 | 130 | 4-14 | 185 | 145 | 4-18 | 185 | 145 | 4-18 |
| 80 | 3 | 114 | 64 | 120 | 380 | 180 | 200 | 190 | 150 | 4-18 | 200 | 160 | 8-18 | 200 | 160 | 8-18 |
| 100 | 4 | 127 | 64 | 138 | 420 | 180 | 200 | 210 | 170 | 4-18 | 220 | 180 | 8-18 | 220 | 180 | 8-18 |
| 125 | 5 | 140 | 70 | 164 | 460 | 180 | 200 | 240 | 200 | 8-18 | 250 | 210 | 8-18 | 250 | 210 | 8-18 |
| 150 | 6 | 140 | 76 | 175 | 555 | 270 | 280 | 265 | 225 | 8-18 | 285 | 240 | 8-22 | 285 | 240 | 8-22 |
| 200 | 8 | 152 | 89 | 208 | 605 | 270 | 280 | 320 | 280 | 8-18 | 340 | 295 | 8-22 | 340 | 295 | 12-22 |
| 250 | 10 | 165 | 114 | 243 | 680 | 270 | 280 | 375 | 335 | 12-18 | 395 | 350 | 12-22 | 405 | 355 | 12-26 |
| 300 | 12 | 178 | 114 | 283 | 800 | 380 | 420 | 400 | 395 | 12-22 | 445 | 400 | 12-22 | 460 | 410 | 12-26 |
| 350 | 14 | 190 | 127 | 310 | 835 | 380 | 420 | 490 | 445 | 12-22 | 505 | 460 | 16-22 | 520 | 470 | 16-26 |
| 400 | 16 | 216 | 140 | 340 | 915 | 450 | 470 | 540 | 495 | 16-22 | 565 | 515 | 16-26 | 580 | 525 | 16-30 |
| 450 | 18 | 222 | 152 | 380 | 960 | 480 | 490 | 595 | 550 | 16-22 | 615 | 565 | 20-26 | 640 | 585 | 20-30 |
| 500 | 20 | 229 | 152 | 410 | 1020 | 480 | 490 | 645 | 600 | 20-22 | 670 | 620 | 20-26 | 715 | 650 | 20-33 |
| 600 | 24 | 267 | 154 | 470 | 1225 | 480 | 490 | 755 | 705 | 20-26 | 780 | 725 | 20-30 | 840 | 770 | 20-36 |
| 700 | 28 | 292 | 165 | 550 | 1355 | 640 | 660 | 860 | 810 | 24-26 | 895 | 840 | 24-30 | 910 | 840 | 24-36 |
| 800 | 32 | 318 | 190 | 640 | 1470 | 640 | 660 | 975 | 920 | 24-30 | 1015 | 950 | 24-33 | 1025 | 950 | 24-39 |
| 900 | 36 | 330 | 203 | 710 | 1545 | 750 | 860 | 1075 | 1020 | 24-30 | 1115 | 1050 | 28-33 | 1125 | 1050 | 28-39 |
| 1000 | 40 | 410 | 216 | 770 | 1795 | 850 | 900 | 1175 | 1120 | 28-30 | 1230 | 1160 | 28-36 | 1255 | 1170 | 28-42 |
| 1200 | 48 | 470 | 254 | 890 | 1965 | 850 | 900 | 1405 | 1340 | 32-33 | 1455 | 1380 | 32-39 | 1485 | 1390 | 32-48 |
