真空蝶閥 | GI
真空蝶閥 產品說明
GI型高真空蝶閥用于接通或切斷真空管路中的氣流。高真空蝶閥適用介質為純凈空氣和非腐蝕性氣體。
高真空蝶閥主要零件材料
閥體、閥蓋、閥桿:碳鋼或不銹鋼
密封圈:NBR、氟橡膠。
真空蝶閥 技術參數
| 適用范圍(Pa) | 10^5~1.3×10^-6 |
|---|---|
| 閥門漏率(Pa.L/S) | ≤1.3×10^-4. |
| 適用溫度 | -25~+80℃(丁腈橡膠) -30~+150℃(氟橡膠) |
| 閥門主要部件材料 | 不銹鋼或碳鋼 |
| 法蘭標準 | JB919 |
| 安裝位置 | 任意 |
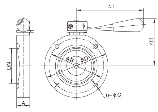
真空蝶閥 結構尺寸圖
真空蝶閥 連接尺寸
| 型號 | 通徑 (DN) |
OD | (PB | H | A | L | n-OC |
|---|---|---|---|---|---|---|---|
| GI-25 | 25 | 70 | 55 | 64 | 22 | 104 | 4-7 |
| GI-32 | 32 | 78 | 64 | 68 | |||
| GI-40 | 40 | 85 | 70 | 72 | 116 | ||
| GI-50 | 50 | 110 | 90 | 85 | 4-9 | ||
| GI-63 | 63 | 130 | 110 | 96 | 26 | 132 | |
| GI-80 | 80 | 145 | 125 | 108 | 30 | 154 | |
| GI-100 | 100 | 170 | 145 | 120 | 4-12 | ||
| GI-125 | 125 | 195 | 170 | 136 | 35 | 197 | |
| GI-150 | 150 | 220 | 195 | 150 | 8-12 | ||
| GI-200 | 200 | 275 | 250 | 185 | 40 | 242 | |
| GI-250 | 250 | 330 | 300 | 2X9 | 45 | 330 | |
| GI-300 | 300 | 380 | 350 | 245 | 55 | 8-14 | |
| GI-400 | 400 | 500 | 465 | 312 | 60 | 435 | 8-18 |
真空蝶閥圖片
