氣動焊接蝶閥 | CHD663H
氣動焊接蝶閥 產品說明
氣動焊接蝶閥是由氣動執行器和焊接蝶閥組成,安裝對應的閥門附件可以用來切斷和調節的場合使用,例如:配電磁閥換向閥、限位開關等用在開關和切斷的場合,配閥門定位器,給出模擬量控制信號4-20mA,可以控制閥門開度大小,來實現調節管道壓力、流量、溫度的大小。氣動焊接蝶閥結構簡單、體積小、重量輕,只由少數幾個零件組成。而且只需旋轉90°即可快速啟閉,操作簡單,同時該電動閥門具有良好的流體控制特性。蝶閥處于完全開啟位置時,蝶板厚度是介質流經閥體時唯一的阻力,因此通過該閥門所產生的壓力降 很小,故具有較好的流量控制特性。氣動焊接蝶閥適用于通風管道、煙氣管道、高溫煙氣管道中。
氣動焊接蝶閥 性能參數
| 公稱通徑 | DN(mm) | 50~700 | ||||
|---|---|---|---|---|---|---|
| 公稱壓力 | PN(MPa) | 0.6 | 1.0 | 1.6 | 2.5 | 4.0 |
| 試驗壓力Ps(MPa) | 強度試驗 | 0.9 | 1.5 | 2.4 | 3.75 | 6.0 |
| 密封試驗 | 0.66 | 1.1 | 1.76 | 2.75 | 4.4 | |
| 氣密封試驗 | 0.6 | 0.6 | 0.6 | 0.6 | 0.6 | |
| 適用介質 | 水、蒸氣、油品、酸類腐蝕性等。 | |||||
| 適用溫度 | 碳鋼 :-29℃~425℃ 不銹鋼:-40℃~600℃ | |||||
氣動焊接蝶閥 材質說明
| 零件名稱 | 材料 |
|---|---|
| 閥體 | 鑄鋼、不銹鋼、鉻鎳鉬鈦鋼、鉻鉬鈦鋼等特殊材料 |
| 蝶板 | 鑄鋼、不銹鋼、鉻鎳鉬鈦鋼、鉻鉬鈦鋼等特殊材料 |
| 密封圈 | 與閥體相同 |
| 閥桿 | 碳鋼、2Cr13、不銹鋼、鉻鎳鉬鈦鋼 |
| 填料 | 氟塑料、柔性石墨 |
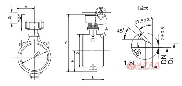
氣動焊接蝶閥 結構尺寸圖
氣動焊接蝶閥 連接尺寸
DHT363H/W/Y-6C(P.R.V)連接尺寸
| 通徑(DN) | L | D | H | Ho | A | Do | Wt/kg |
|---|---|---|---|---|---|---|---|
| 1000 | 550 | 1028 | 757 | 1985 | 620 | 500 ★ | 1460 |
| 1200 | 630 | 1228 | 851 | 2187 | 620 | 600 ★ | 1590 |
| 1400 | 710 | 1428 | 876 | 2312 | 620 | 600 ★ | 2185 |
| 1600 | 790 | 1628 | 1095 | 2679 | 620 | 600 ★ | 3210 |
| 1800 | 870 | 1828 | 1214 | 2917 | 620 | 600 ★ | 4090 |
| 2000 | 950 | 2028 | 1332 | 3173 | 620 | 600 ★ | 5610 |
DHT363H/W/Y-10C(P.R.V)連接尺寸
| 通徑(DN) | L | D | H | Ho | A | Do | Wt/kg |
|---|---|---|---|---|---|---|---|
| 600 | 390 | 636 | 499 | 1183 | 350 | 350 ★ | 465 |
| 700 | 430 | 726 | 566 | 1460 | 420 | 450 ★ | 680 |
| 800 | 470 | 826 | 632 | 1589 | 545 | 450 ★ | 810 |
| 900 | 510 | 926 | 693 | 1856 | 545 | 500 ★ | 860 |
| 1000 | 550 | 1028 | 757 | 1985 | 620 | 500 ★ | 1625 |
| 1200 | 630 | 1228 | 851 | 2187 | 620 | 600 ★ | 1770 |
| 1400 | 710 | 1428 | 876 | 2312 | 620 | 600 ★ | 2425 |
| 1600 | 790 | 1628 | 1095 | 2679 | 620 | 600 ★ | 3560 |
| 1800 | 870 | 1828 | 1214 | 2917 | 620 | 600 ★ | 4545 |
| 2000 | 950 | 2028 | 1332 | 3173 | 620 | 600 ★ | 6230 |
DHT363H/W/Y-16C(P.R.V)連接尺寸
| 通徑(DN) | L | D | H | H〇 | A | Do | Wt/kg |
|---|---|---|---|---|---|---|---|
| 80 | 180 | 90 | 90 | 320 | 150 | 160 | 27 |
| 100 | 190 | 110 | 100 | 339 | 192 | 160 | 34 |
| 125 | 200 | 135 | 113 | 365 | 192 | 160 | 41 |
| 150 | 210 | 161 | 130 | 414 | 192 | 230 | 43 |
| 200 | 230 | 222 | 205 | 512 | 245 | 230 | 81 |
| 250 | 250 | 278 | 235 | 572 | 245 | 230 | 102 |
| 300 | 270 | 330 | 275 | 667 | 270 | 230 | 132 |
| 350 | 290 | 382 | 309 | 744 | 305 | 230 | 164 |
| 400 | 310 | 432 | 346 | 827 | 305 | 350 | 193 |
| 450 | 330 | 484 | 392 | 913 | 305 | 350 | 238 |
| 500 | 350 | 535 | 427 | 995 | 350 | 350 | 302 |
| 600 | 390 | 636 | 509 | 1198 | 420 | 350 ★ | 457 |
| 700 | 430 | 726 | 572 | 1475 | 420 | 450 ★ | 810 |
| 800 | 470 | 826 | 638 | 1605 | 545 | 450 ★ | 1093 |
| 900 | 510 | 926 | 700 | 1875 | 545 | 500 ★ | 1410 |
| 1000 | 550 | 1028 | 765 | 2005 | 620 | 500 ★ | 1870 |
| 1200 | 630 | 1228 | 860 | 2210 | 620 | 600 ★ | 2082 |
| 1400 | 710 | 1428 | 986 | 2436 | 620 | 600 ★ | 2850 |
| 1600 | 790 | 1628 | 1106 | 2706 | 620 | 600 ★ | 4235 |
DHT363H/W/Y-25C(P.R.V)連接尺寸
| 通徑(DN) | L | D | H | Ho | A | Do | Wt/kg |
|---|---|---|---|---|---|---|---|
| 80 | 180 | 90 | 90 | 320 | 150 | 160 | 38 |
| 100 | 190 | 110 | 106 | 351 | 192 | 160 | 40 |
| 125 | 200 | 135 | 122 | 377 | 192 | 160 | 60 |
| 150 | 210 | 161 | 136 | 423 | 192 | 230 | 65 |
| 200 | 230 | 222 | 215 | 527 | 245 | 230 | 85 |
| 250 | 250 | 278 | 247 | 591 | 245 | 230 | 135 |
| 300 | 270 | 330 | 288 | 698 | 305 | 230 | 175 |
| 350 | 290 | 382 | 333 | 786 | 305 | 230 | 195 |
| 400 | 310 | 432 | 359 | 847 | 305 | 350 | 295 |
| 450 | 330 | 484 | 405 | 947 | 305 | 350 | 350 |
| 500 | 350 | 535 | 444 | 1075 | 420 | 350 | 510 |
| 600 | 390 | 636 | 521 | 1353 | 545 | 350 ★ | 625 |
| 700 | 430 | 726 | 586 | 1496 | 545 | 450 ★ | 925 |
| 800 | 470 | 826 | 659 | 1640 | 620 | 450 ★ | 1260 |
| 900 | 510 | 926 | 720 | 1762 | 620 | 500 ★ | 1790 |
| 1000 | 550 | 1028 | 780 | 1881 | 620 | 500 ★ | 1940 |
| 1200 | 630 | 1228 | 889 | 2101 | 620 | 600 ★ | 2810 |
| 1400 | 710 | 1428 | 1000 | 2322 | 620 | 600 ★ | 3500 |
DHT363H/W/Y-40C(P.R.V)連接尺寸
| 通徑(DN) | L | D | H | Ho | A | Do | Wt/kg |
|---|---|---|---|---|---|---|---|
| 80 | 180 | 90 | 108 | 356 | 150 | 160 | 39 |
| 100 | 190 | 110 | 108 | 356 | 192 | 160 | 42 |
| 125 | 200 | 135 | 120 | 378 | 192 | 160 | 65 |
| 150 | 210 | 161 | 135 | 436 | 192 | 230 | 67 |
| 200 | 230 | 222 | 202 | 520 | 245 | 230 | 90 |
| 250 | 250 | 278 | 235 | 600 | 245 | 230 | 140 |
| 300 | 270 | 330 | 280 | 695 | 305 | 230 | 240 |
| 350 | 290 | 382 | 315 | 783 | 305 | 230 | 260 |
| 400 | 310 | 432 | 355 | 865 | 350 | 350 | 320 |
| 450 | 330 | 484 | 370 | 961 | 350 | 350 | 500 |
| 500 | 350 | 535 | 420 | 1130 | 420 | 350 ★ | 550 |
| 600 | 390 | 636 | 490 | 1260 | 545 | 450 ★ | 900 |
注:★表示配二級蝸輪傳動機構
更多>> 產品列表
- · 氣動橡膠密封蝶閥 | CHD671X
- · 氣動橡膠密封蝶閥 | CHD641X/F
- · 氣動三偏心蝶閥 | CHD673H/Y
- · 氣動三偏心蝶閥 | CHD643H/Y
- · 氣動快裝蝶閥 | CHD681X
- · 氣動塑料蝶閥 | CHD671X
- · 氣動水泥蝶閥 | BLF
- · 氣動衛生級蝶閥 | CHD681X
- · 氣動衛生級蝶閥 | CHD681X
- · 氣動真空蝶閥 | GIQ
- · 氣動四氟蝶閥 | CHD671F
- · 氣動襯氟法蘭蝶閥 | CHD641F
- · 氣動襯膠蝶閥 | CHD671J
- · 氣動襯膠法蘭蝶閥 | CHD641J
- · 氣動襯氟蝶閥 | CHD671F46
- · 氣動通風蝶閥 | CHD641W
- · 大口徑氣動通風蝶閥 | CHD641W
- · 氣動調節蝶閥 | CHD671X
- · 氣動法蘭調節蝶閥 | CHD643H/Y
- · 氣動通風調節蝶閥 | CHD641W
- · 氣動焊接蝶閥 | CHD663H
- · 氣動伸縮蝶閥 | CHSD643H
更多>> 閥門圖片列表
更多>> 其他閥門
