氣動法蘭蝶閥 | CHD641X/F
氣動法蘭蝶閥 產品說明
氣動法蘭蝶閥是由氣動執行器和軟密封法蘭蝶閥組成,安裝對應的閥門附件可以用來切斷和調節的場合使用,例如:配電磁閥換向閥、限位開關等用在開關和切斷的場合,配閥門定位器,給出模擬量控制信號4-20mA,可以控制閥門開度大小,來實現調節管道壓力、流量、溫度的大小。氣動法蘭蝶閥結構簡單、體積小、重量輕,只由少數幾個零件組成。而且只需旋轉90°即可快速啟閉,操作簡單,同時該電動閥門具有良好的流體控制特性。蝶閥處于完全開啟位置時,蝶板厚度是介質流經閥體時唯一的阻力,因此通過該閥門所產生的壓力降 很小,故具有較好的流量控制特性。氣動法蘭蝶閥適用于適用于溫度≤80~150℃如食品、化工、石油、電力、輕紡、造紙等給排水、氣體管道上作調節流量和截流介質的作用。
氣動法蘭蝶閥 性能參數
| 公稱通徑DN(mm) | 50~1200 |
|---|---|
| 公稱壓力 | PN1.0、1.6、2.5MPa |
| 法蘭標準 | JB/T79、GB/T9113、HG20594-97 |
| 連接形式 | 法蘭式 |
| 閥板形式 | 垂直板式 |
| 流量特性 | 近似快開型 |
| 動作范圍 | 0~90° |
| 泄露量 | 按GB/T4213-92,為Kv值的10-4 |
| 基本誤差 | 帶定位器:小于全行程的±2% |
| 回差 | 帶定位器:小于全行程的±2% |
| 可調范圍 | 50:1 |
| 配置執行機構 | GT、AT、AR、AW系列單雙作用氣動執行器 |
| 控制方式 | 開關型(開關兩位控制)、調節型(4~20mA控制) |
氣動法蘭蝶閥 材質說明
| 零件名稱 | 材料名稱 |
|---|---|
| 閥體 | 鑄鐵、鑄鋼、不銹鋼、鉻鉬鋼、合金鋼 |
| 蝶板 | 鑄鋼、合金鋼(鍍硬鉻)、不銹鋼、鉻鉬鋼 |
| 密封圈 | 橡膠、PTFE、PPL、不銹鋼、聚內脂、抗磨材料 |
| 閥桿 | 2Cr13、1Cr13不銹鋼、鉻鉬鋼 |
| 填料 | 聚四氟乙烯、柔性石墨 |
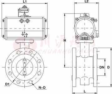
氣動法蘭蝶閥 結構尺寸圖
氣動法蘭蝶閥 連接尺寸
| 主要外形尺寸-PN16、10(10bar) | |||||||
|---|---|---|---|---|---|---|---|
| 公稱 通徑 DN |
外形尺寸mm | 連接尺寸mm | |||||
| L | L1 | L2 | H | D | D | N-D | |
| 50 | 108 | 141 | 71 | 269 | 165 | 125 | 4-18 |
| 65 | 112 | 159 | 83 | 283 | 185 | 145 | 4-18 |
| 80 | 114 | 159 | 83 | 289 | 200 | 160 | 8-18 |
| 100 | 127 | 211 | 95 | 320 | 220 | 180 | 8-18 |
| 125 | 140 | 248 | 107 | 351 | 250 | 210 | 8-18 |
| 150 | 140 | 269 | 123 | 380 | 285 | 240 | 8-22 |
| 200 | 152 | 345 | 152 | 435 | 340 | 295 | 8-22 |
| 250 | 165 | 409 | 172 | 509 | 395 | 350 | 12-22 |
| 300 | 178 | 438 | 187 | 597 | 445 | 400 | 12-22 |
| 350 | 190 | 550 | 215 | 653 | 505 | 460 | 16-22 |
| 400 | 216 | 550 | 215 | 720 | 565 | 515 | 16-26 |
| 450 | 222 | 600 | 240 | 772 | 615 | 565 | 20-26 |
| 500 | 229 | 633 | 262 | 867 | 670 | 620 | 20-26 |
| 600 | 267 | - | - | - | 780 | 725 | 20-30 |
| 700 | 292 | - | - | - | 895 | 840 | 24-30 |
| 800 | 318 | - | - | - | 1015 | 950 | 24-33 |
| 主要外形尺寸-PN16(16bar) | |||||||
|---|---|---|---|---|---|---|---|
| 公稱 通徑 DN |
外形尺寸mm | 連接尺寸mm | |||||
| L | L1 | L2 | H | D | D | N-D | |
| 50 | 108 | 141 | 71 | 269 | 165 | 125 | 4-18 |
| 65 | 112 | 159 | 83 | 283 | 185 | 145 | 4-18 |
| 80 | 114 | 159 | 83 | 289 | 200 | 160 | 8-18 |
| 100 | 127 | 211 | 95 | 320 | 220 | 180 | 8-18 |
| 125 | 140 | 248 | 107 | 351 | 250 | 210 | 8-18 |
| 150 | 140 | 269 | 123 | 380 | 285 | 240 | 8-22 |
| 200 | 152 | 345 | 152 | 435 | 340 | 295 | 8-22 |
| 250 | 165 | 409 | 172 | 509 | 395 | 350 | 12-22 |
| 300 | 178 | 438 | 187 | 597 | 445 | 400 | 12-26 |
| 350 | 190 | 550 | 215 | 653 | 505 | 460 | 12-26 |
| 400 | 216 | 550 | 215 | 720 | 565 | 515 | 16-26 |
| 450 | 222 | 600 | 240 | 772 | 615 | 565 | 20-30 |
| 500 | 229 | 633 | 262 | 867 | 670 | 620 | 20-33 |
| 600 | 267 | - | - | - | 780 | 725 | 20-36 |
| 700 | 292 | - | - | - | 895 | 840 | 24-36 |
| 800 | 318 | - | - | - | 1015 | 950 | 24-39 |
氣動法蘭蝶閥圖片
更多>> 產品列表
- · 氣動橡膠密封蝶閥 | CHD671X
- · 氣動橡膠密封蝶閥 | CHD641X/F
- · 氣動三偏心蝶閥 | CHD673H/Y
- · 氣動三偏心蝶閥 | CHD643H/Y
- · 氣動快裝蝶閥 | CHD681X
- · 氣動塑料蝶閥 | CHD671X
- · 氣動水泥蝶閥 | BLF
- · 氣動衛生級蝶閥 | CHD681X
- · 氣動衛生級蝶閥 | CHD681X
- · 氣動真空蝶閥 | GIQ
- · 氣動四氟蝶閥 | CHD671F
- · 氣動襯氟法蘭蝶閥 | CHD641F
- · 氣動襯膠蝶閥 | CHD671J
- · 氣動襯膠法蘭蝶閥 | CHD641J
- · 氣動襯氟蝶閥 | CHD671F46
- · 氣動通風蝶閥 | CHD641W
- · 大口徑氣動通風蝶閥 | CHD641W
- · 氣動調節蝶閥 | CHD671X
- · 氣動法蘭調節蝶閥 | CHD643H/Y
- · 氣動通風調節蝶閥 | CHD641W
- · 氣動焊接蝶閥 | CHD663H
- · 氣動伸縮蝶閥 | CHSD643H
更多>> 閥門圖片列表
更多>> 其他閥門
