大口徑氣動三通球閥 | CHAWQ644(5)F
大口徑氣動三通球閥 產品說明
大口徑氣動三通球閥是由角行程氣動執行機構、三通法蘭球閥組成。可用于開關或者調解場合,控制信號4-20mA(可選配輸出信號4-20mA或帶HART協議等),根據管道中不同的介質選用四氟密封(≤150℃)、PPL密封(≤250℃)或金屬密封(≤425℃)。大口徑氣動三通球閥分"T"型三通球閥和"L"型三通球閥,具有結構緊湊、外型美觀、密封性能好,它能實現對管道中介質流向的切換,也能使相互垂直的兩個通道連通或關閉。氣動內螺紋三通球閥適用于供水、石化、冶金、礦山、輕紡、能源、造紙、食品、鋼鐵等管路系統中對介質流向進行切換以及對介質的分流或混合流體。球閥是一種重要的閥類,在石油化工和長輸管線等領域有廣泛應用。它的關閉件是一個帶孔的部分球體,球體隨閥桿轉動,實現閥門的開啟或關閉。流向可任意,可調范圍廣,能用于高壓和大口徑場合,控制高粘度,帶有纖維和細顆粒的介質。
大口徑氣動三通球閥 性能參數
| 公稱通徑 DN(mm) | 15 | 20 | 25 | 32 | 40 | 50 | 65 | 80 | 100 | 125 | 150 | 200 |
|---|---|---|---|---|---|---|---|---|---|---|---|---|
| 允許壓差(MPa) | ≤公稱壓力 | |||||||||||
| 動作范圍 | 0~90° | |||||||||||
| 閥體形式 | 二段分體式鑄造閥體 | |||||||||||
| 閥蓋形式 | 整體式 | |||||||||||
| 壓蓋型式 | 螺栓壓緊式 | |||||||||||
| 密封填料 | 聚四氟乙烯填料、含浸聚四氟乙烯石棉填料、石棉紡織填料、石墨填料 | |||||||||||
| 連接方式 | 法蘭式、螺紋式(適用于1/2"~2") | |||||||||||
| 閥芯形式 | 三通球型閥芯 | |||||||||||
| 流量特性 | 近似快開特性 | |||||||||||
| 泄露量Q | 軟密封:零泄露;金屬密封:按GB/T4213-92,小于額定KV0.01% | |||||||||||
| 配置執行機構 | 可配GT、AT、AR、AW系列單雙作用氣動執行器 | |||||||||||
| 控制方式 | 開關兩位控制、4-20mA模擬量控制 | |||||||||||
大口徑氣動三通球閥 連接尺寸
| 零件名稱 | 材料名稱 | |||
|---|---|---|---|---|
| 閥體 | WCB | 304(CF8) | 316(CF8M) | 316L(CF3M) |
| 球體 | 2Cr13+氮化處理 | 304 | 316 | 316L |
| 閥桿 | 2Cr13 | 304 | 316 | 316L |
| 密封圈 | 聚四氟乙烯(PTFE)、增強聚四氟乙烯(PPL)、對位聚苯、柔性石墨 | |||
| 適用介質 | 水、氣體、蒸汽、油品等 | 硝酸等腐蝕性介質 | 醋酸等腐蝕介質 | 尿素等腐蝕性介質 |
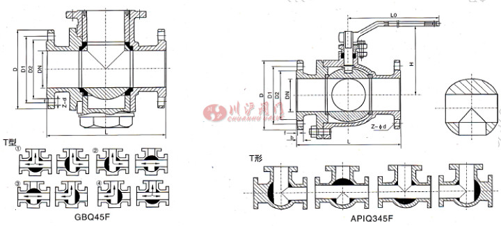
L型Q44F結構圖和流向圖
大口徑氣動固定式球閥 連接尺寸
國標系列主要外形連接尺寸
| 型號 | 公稱通徑 | 外型尺寸(參考值) | |||||||||
|---|---|---|---|---|---|---|---|---|---|---|---|
| DN | L | L2 | D | D1 | D2 | b | f | Z-d | H | W | |
| Q44F-16C Q44F-16P Q44F-16R |
15 | 150 | 72 | 95 | 65 | 45 | 14 | 2 | 4-14 | 95 | 130 |
| 20 | 160 | 80 | 105 | 75 | 55 | 14 | 2 | 4-14 | 110 | 130 | |
| 25 | 180 | 90 | 115 | 85 | 65 | 14 | 2 | 4-18 | 120 | 140 | |
| 32 | 200 | 100 | 135 | 100 | 78 | 16 | 2 | 4-18 | 144 | 180 | |
| 40 | 220 | 110 | 145 | 110 | 85 | 16 | 3 | 4-18 | 152 | 220 | |
| 50 | 240 | 120 | 160 | 125 | 100 | 16 | 3 | 4-23 | 182 | 220 | |
| 65 | 260 | 130 | 180 | 145 | 120 | 16 | 3 | 4-18 | 193 | 240 | |
| 80 | 280 | 140 | 195 | 160 | 135 | 20 | 3 | 8-18 | 217 | 270 | |
| 100 | 320 | 160 | 215 | 180 | 155 | 20 | 3 | 8-18 | 245 | 350 | |
| 125 | 380 | 190 | 245 | 210 | 185 | 22 | 3 | 8-18 | 282 | 500 | |
| 150 | 440 | 220 | 280 | 240 | 210 | 24 | 3 | 8-23 | 319 | 600 | |
| 200 | 550 | 260 | 335 | 295 | 265 | 26 | 3 | 12-23 | 380 | 1000 | |
| 250 | 670 | 310 | 405 | 355 | 320 | 30 | 3 | 12-25 | 460 | 1400 | |
| 300 | 720 | 370 | 460 | 410 | 375 | 30 | 3 | 12-25 | 520 | 1300 | |
| 250 | 670 | 310 | 405 | 355 | 320 | 30 | 3 | 12-25 | 460 | 1400 | |
| 300 | 720 | 370 | 460 | 410 | 375 | 30 | 3 | 12-25 | 520 | 1800 | |
API美標系列主要外形連接尺寸
| 公稱通徑 | 外形尺寸(參考值) | |||||||||
|---|---|---|---|---|---|---|---|---|---|---|
| in | mm | L | D | D1 | D2 | b | F | Z-d | H | L0 |
| 1/2 | 15 | 140 | 89 | 60.5 | 35 | 10 | 1.6 | 4-15 | 55 | 130 |
| 3/4 | 20 | 165 | 98 | 70 | 43 | 11 | 1.6 | 4-15 | 55 | 130 |
| 1 | 25 | 165 | 108 | 79.5 | 51 | 12 | 1.6 | 4-15 | 70 | 140 |
| 1V4 | 32 | 220 | 117 | 79 | 64 | 13 | 1.6 | 4-15 | 75 | 180 |
| 1V2 | 40 | 250 | 127 | 98.5 | 73 | 15 | 1.6 | 4-15 | 90 | 220 |
| 2V2 | 50 | 260 | 152 | 120.5 | 92 | 16 | 1.6 | 4-19 | 104 | 260 |
| 2 | 65 | 320 | 178 | 139.5 | 105 | 18 | 1.6 | 4-19 | 153 | 350 |
| 3 | 80 | 320 | 190 | 152.5 | 127 | 19 | 1.6 | 4-19 | 187 | 400 |
| 4 | 100 | 370 | 229 | 190.5 | 157 | 24 | 1.6 | 8-19 | 206 | 500 |
| 5 | 125 | 510 | 254 | 216 | 186 | 24 | 1.6 | 8-22 | 252 | 600 |
| 6 | 150 | 510 | 279 | 241.5 | 216 | 26 | 1.6 | 8-22 | 244 | 1000 |
| 8 | 200 | 580 | 373 | 298.5 | 270 | 29 | 1.6 | 8-22 | 283 | 1300 |
| 10 | 250 | 670 | 406 | 362 | 324 | 31 | 1.6 | 12-25 | 345 | 1600 |
| 12 | 300 | 720 | 483 | 432 | S61 | 32 | 1.6 | 12-25 | 420 | 2100 |
T型Q45F結構圖和流向圖
國標系列主要外形連接尺寸
| 型號 | 公稱通徑 | 外型尺寸(參考值) | |||||||||
|---|---|---|---|---|---|---|---|---|---|---|---|
| DN | L | L2 | D | D1 | D2 | b | f | Z-d | H | W | |
| Q45F-16C Q45F-16P Q45F-16R |
15 | 150 | 72 | 95 | 65 | 45 | 14 | 2 | 4-14 | 95 | 130 |
| 20 | 160 | 80 | 105 | 75 | 55 | 14 | 2 | 4-14 | 110 | 130 | |
| 25 | 180 | 90 | 115 | 85 | 65 | 14 | 2 | 4-18 | 120 | 140 | |
| 32 | 200 | 100 | 135 | 100 | 78 | 16 | 2 | 4-18 | 144 | 180 | |
| 40 | 220 | 110 | 145 | 110 | 85 | 16 | 3 | 4-18 | 152 | 220 | |
| 50 | 240 | 120 | 160 | 125 | 100 | 16 | 3 | 4-23 | 182 | 220 | |
| 65 | 260 | 130 | 180 | 145 | 120 | 16 | 3 | 4-18 | 193 | 240 | |
| 80 | 280 | 140 | 195 | 160 | 135 | 20 | 3 | 8-18 | 217 | 270 | |
| 100 | 320 | 160 | 215 | 180 | 155 | 20 | 3 | 8-18 | 245 | 350 | |
| 125 | 380 | 190 | 245 | 210 | 185 | 22 | 3 | 8-18 | 282 | 500 | |
| 150 | 440 | 220 | 280 | 240 | 210 | 24 | 3 | 8-23 | 319 | 600 | |
| 200 | 550 | 260 | 335 | 295 | 265 | 26 | 3 | 12-23 | 380 | 1000 | |
| 250 | 670 | 310 | 405 | 355 | 320 | 30 | 3 | 12-25 | 460 | 1400 | |
| 300 | 720 | 370 | 460 | 410 | 375 | 30 | 3 | 12-25 | 520 | 1300 | |
| 250 | 670 | 310 | 405 | 355 | 320 | 30 | 3 | 12-25 | 460 | 1400 | |
| 300 | 720 | 370 | 460 | 410 | 375 | 30 | 3 | 12-25 | 520 | 1800 | |
API美標系列主要外形連接尺寸
| 公稱通徑 | 外形尺寸(參考值) | |||||||||
|---|---|---|---|---|---|---|---|---|---|---|
| in | mm | L | D | D1 | D2 | b | F | Z-d | H | L0 |
| 1/2 | 15 | 140 | 89 | 60.5 | 35 | 10 | 1.6 | 4-15 | 55 | 130 |
| 3/4 | 20 | 165 | 98 | 70 | 43 | 11 | 1.6 | 4-15 | 55 | 130 |
| 1 | 25 | 165 | 108 | 79.5 | 51 | 12 | 1.6 | 4-15 | 70 | 140 |
| 1V4 | 32 | 220 | 117 | 79 | 64 | 13 | 1.6 | 4-15 | 75 | 180 |
| 1V2 | 40 | 250 | 127 | 98.5 | 73 | 15 | 1.6 | 4-15 | 90 | 220 |
| 2V2 | 50 | 260 | 152 | 120.5 | 92 | 16 | 1.6 | 4-19 | 104 | 260 |
| 2 | 65 | 320 | 178 | 139.5 | 105 | 18 | 1.6 | 4-19 | 153 | 350 |
| 3 | 80 | 320 | 190 | 152.5 | 127 | 19 | 1.6 | 4-19 | 187 | 400 |
| 4 | 100 | 370 | 229 | 190.5 | 157 | 24 | 1.6 | 8-19 | 206 | 500 |
| 5 | 125 | 510 | 254 | 216 | 186 | 24 | 1.6 | 8-22 | 252 | 600 |
| 6 | 150 | 510 | 279 | 241.5 | 216 | 26 | 1.6 | 8-22 | 244 | 1000 |
| 8 | 200 | 580 | 373 | 298.5 | 270 | 29 | 1.6 | 8-22 | 283 | 1300 |
| 10 | 250 | 670 | 406 | 362 | 324 | 31 | 1.6 | 12-25 | 345 | 1600 |
| 12 | 300 | 720 | 483 | 432 | S61 | 32 | 1.6 | 12-25 | 420 | 2100 |
更多>> 產品列表
- · 氣動法蘭球閥 | CHQ641F
- · 氣動對夾球閥 | CHQ671F
- · 氣動內螺紋球閥 | CHQ611F
- · 氣動快裝球閥 | CHQ681F
- · 氣動雙由令球閥 | CHQ611F
- · 大口徑氣動三通球閥 | CHQ644(5)F
- · 氣動襯氟球閥 | CHQ641F46
- · 氣動保溫球閥 | CHBQ641F
- · 氣動高壓球閥 | CHQ641N
- · 氣動真空球閥 | GUQ
- · 氣動調節球閥 | CHQ641F
- · 氣動V型調節球閥 | CHVQ647F
- · 氣動V型調節球閥 | CHVQ670F
- · 氣動偏心調節球閥 | CHPQ647F/H
- · 氣動三通調節球閥 | CHQ644(5)F
- · 氣動衛生級球閥 | CHQ681F
- · 氣動塑料球閥 | CHQ611F
- · 氣動三片式球閥 | CHQ641F
- · 氣動Y型三通球閥 | CHQ642F/H
- · 氣動三段式球閥 | CHTQ641F
- · 氣動兩片式球閥 | CHQ611F
- · 氣動高壓內螺紋球閥 | CHQ611N
- · 大口徑氣動法蘭球閥 | CHAWQ641F
- · 大口徑氣動固定式球閥 | CHAWQ647F/H
- · 大口徑氣動三通球閥 | CHAWQ644(5)F
更多>> 閥門圖片列表
更多>> 其他閥門
