氣動四通球閥 | CHQ646F/PPL
氣動四通球閥 產品說明
氣動四通球閥為X形垂直通道球閥,四個通道分布于四周,當球芯旋轉90度時,能使相近兩個通道實現相通,主要用于電站系統中雙向供水旋轉閥,每旋轉90度,可以切換供水方式。以替代四個閥門,簡化程序、方便操作,降低成本,便于控制,同步性好。氣動四通球閥 性能參數
| 公稱通徑 | DN15-DN300 |
|---|---|
| 閥體材質 | WCB、304、316 |
| 連接方式 | 法蘭式 |
| 壓力等級 | PN1.6MPa ~ 6.4MPa |
| 結構形式 | 四通 |
| 閥座密封 | PTFE:-30℃~180℃ 、PPL :-30℃~250℃ |
| 閥芯材質 | WCB、304、316 |
| 適用介質 | 水液、氣體、油類等 |
| 設計制造標準 | GB/T12238-2008 |
| 連接標準 | JB/T 79.1-1994 |
| 結構長度 | GB/T12221-2005 |
| 壓力試驗 | GB/T13927-2008 |
氣動四通球閥 流向圖
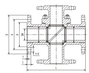
氣動四通球閥 結構尺寸圖
氣動四通球閥 連接尺寸
| DN | L | D | K | R | C | f | n-d |
|---|---|---|---|---|---|---|---|
| 15 | 150 | 95 | 65 | 45 | 14 | 2 | 4-14 |
| 20 | 164 | 105 | 75 | 55 | 16 | 2 | 4-14 |
| 25 | 180 | 115 | 85 | 65 | 16 | 2 | 4-14 |
| 32 | 200 | 135 | 100 | 78 | 18 | 2 | 4-18 |
| 40 | 220 | 145 | 110 | 85 | 18 | 3 | 4-18 |
| 50 | 240 | 160 | 125 | 100 | 20 | 3 | 4-18 |
| 65 | 260 | 180 | 145 | 120 | 20 | 3 | 4-18 |
| 80 | 280 | 195 | 160 | 135 | 20 | 3 | 8-18 |
| 100 | 320 | 215 | 180 | 155 | 22 | 3 | 8-18 |
| 125 | 380 | 245 | 210 | 185 | 22 | 3 | 8-18 |
| 150 | 440 | 28 | 240 | 210 | 24 | 3 | 8-23 |
| 200 | 550 | 335 | 295 | 265 | 24 | 3 | 12-23 |
| 250 | 670 | 405 | 355 | 320 | 30 | 3 | 12-25 |
| 300 | 850 | 460 | 410 | 375 | 30 | 4 | 12-25 |
氣動四通球閥圖片
更多>> 產品列表
- · 氣動法蘭球閥 | CHQ641F
- · 氣動對夾球閥 | CHQ671F
- · 氣動內螺紋球閥 | CHQ611F
- · 氣動快裝球閥 | CHQ681F
- · 氣動雙由令球閥 | CHQ611F
- · 大口徑氣動三通球閥 | CHQ644(5)F
- · 氣動襯氟球閥 | CHQ641F46
- · 氣動保溫球閥 | CHBQ641F
- · 氣動高壓球閥 | CHQ641N
- · 氣動真空球閥 | GUQ
- · 氣動調節球閥 | CHQ641F
- · 氣動V型調節球閥 | CHVQ647F
- · 氣動V型調節球閥 | CHVQ670F
- · 氣動偏心調節球閥 | CHPQ647F/H
- · 氣動三通調節球閥 | CHQ644(5)F
- · 氣動衛生級球閥 | CHQ681F
- · 氣動塑料球閥 | CHQ611F
- · 氣動三片式球閥 | CHQ641F
- · 氣動Y型三通球閥 | CHQ642F/H
- · 氣動三段式球閥 | CHTQ641F
- · 氣動兩片式球閥 | CHQ611F
- · 氣動高壓內螺紋球閥 | CHQ611N
- · 大口徑氣動法蘭球閥 | CHAWQ641F
- · 大口徑氣動固定式球閥 | CHAWQ647F/H
- · 大口徑氣動三通球閥 | CHAWQ644(5)F
更多>> 閥門圖片列表
更多>> 其他閥門
