氣動三通內螺紋球閥 | CHQ614F(三通L型球閥)\CHQ615F(三通T型球閥)
氣動三通內螺紋球閥 產品說明
氣動三通內螺紋球閥是由角行程氣動執行機構和三通球閥組成。根據管道中不同的介質選用四氟密封(≤150℃)、PPL密封(≤250℃)或金屬密封(≤425℃)。氣動三通內螺紋球閥分"T"型三通球閥和"L"型三通球閥,具有結構緊湊、外型美觀、密封性能好,它能實現對管道中介質流向的切換,也能使相互垂直的兩個通道連通或關閉。氣動內螺紋三通球閥適用于供水、石化、冶金、礦山、輕紡、能源、造紙、食品、鋼鐵等管路系統中對介質流向進行切換以及對介質的分流或混合流體。
氣動三通內螺紋球閥 性能參數
| 公稱通徑 | DN15~50mm |
|---|---|
| 連接方式 | 內螺紋、卡箍 |
| 氣缸配置 | AT系列、GT系列及進口執行器系列 |
| 氣缸形式 | 雙作用、單作用(彈簧復位) |
| 控制方式 | 換向、分流 |
| 公稱壓力 | 16、25、40、64bar(如需更高壓力訂貨時請注明) |
| 氣源壓力 | 雙作用:4~8bar、單作用:5~8bar |
| 介質溫度 | W1:-40~180℃ ? W2:-40~300℃ ? W3:-30~425℃ ? W4:-40~425℃ |
| 環境溫度 | 標準型:-20~80℃ |
| 閥體材質 | 碳鋼(C)、不銹鋼(304、316) |
| 密封材質 | 聚四氟乙烯(F)、對位聚苯(PPL)、金屬硬密封(H)、硬質合金(Y) |
氣動三通內螺紋球閥 連接尺寸
| 零件名稱 | 材料名稱 | |||
|---|---|---|---|---|
| 閥體 | WCB | 304(CF8) | 316(CF8M) | 316L(CF3M) |
| 球體 | 2Cr13+氮化處理 | 304 | 316 | 316L |
| 閥桿 | 2Cr13 | 304 | 316 | 316L |
| 密封圈 | 聚四氟乙烯(PTFE)、增強聚四氟乙烯(PPL)、對位聚苯、柔性石墨 | |||
| 適用介質 | 水、氣體、蒸汽、油品等 | 硝酸等腐蝕性介質 | 醋酸等腐蝕介質 | 尿素等腐蝕性介質 |
氣動三通內螺紋球閥 介質流向圖
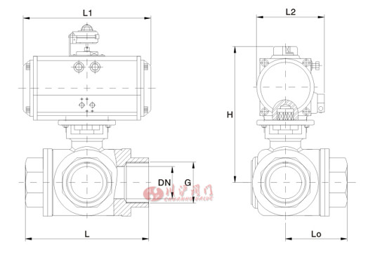
氣動三通內螺紋球閥 結構尺寸圖
氣動三通內螺紋球閥 連接尺寸
| 主要外形尺寸-PN16(16bar) | |||||||
|---|---|---|---|---|---|---|---|
| 公稱通徑 [DN] |
外形連接尺寸 | 執行器型號 | |||||
| L | L1 | L2 | Lo | H | G | ||
| 15 | 68 | 141/159 | 71/83 | 34 | 177/208 | 1/2" | AT-D50/AT-S63 |
| 20 | 78 | 141/159 | 71/83 | 39 | 180/211 | 3/4" | AT-D50/AT-S63 |
| 25 | 86 | 159/211 | 83/95 | 43 | 199/227 | 1" | AT-D63/AT-S75 |
| 32 | 111 | 211/248 | 95/107 | 55.5 | 231/251 | 11/4" | AT-D75/AT-S88 |
| 40 | 126 | 248/269 | 107/123 | 63 | 235/265 | 11/2" | AT-D88/AT-S100 |
| 50 | 143 | 248/269 | 107/123 | 71.5 | 263/298 | 2" | AT-D88/AT-S100 |
| 備注:根據不同的閥門扭矩,不同的氣源壓力以及不同的實際工況,選擇相匹配的執行器其相關外形尺寸也隨之變化 | |||||||
氣動三通內螺紋球閥 圖片
更多>> 產品列表
- · 氣動法蘭球閥 | CHQ641F
- · 氣動對夾球閥 | CHQ671F
- · 氣動內螺紋球閥 | CHQ611F
- · 氣動快裝球閥 | CHQ681F
- · 氣動雙由令球閥 | CHQ611F
- · 大口徑氣動三通球閥 | CHQ644(5)F
- · 氣動襯氟球閥 | CHQ641F46
- · 氣動保溫球閥 | CHBQ641F
- · 氣動高壓球閥 | CHQ641N
- · 氣動真空球閥 | GUQ
- · 氣動調節球閥 | CHQ641F
- · 氣動V型調節球閥 | CHVQ647F
- · 氣動V型調節球閥 | CHVQ670F
- · 氣動偏心調節球閥 | CHPQ647F/H
- · 氣動三通調節球閥 | CHQ644(5)F
- · 氣動衛生級球閥 | CHQ681F
- · 氣動塑料球閥 | CHQ611F
- · 氣動三片式球閥 | CHQ641F
- · 氣動Y型三通球閥 | CHQ642F/H
- · 氣動三段式球閥 | CHTQ641F
- · 氣動兩片式球閥 | CHQ611F
- · 氣動高壓內螺紋球閥 | CHQ611N
- · 大口徑氣動法蘭球閥 | CHAWQ641F
- · 大口徑氣動固定式球閥 | CHAWQ647F/H
- · 大口徑氣動三通球閥 | CHAWQ644(5)F
更多>> 閥門圖片列表
更多>> 其他閥門
